Industrieanlagenplanung
technische Planungen
KWK-Anlagen, Prozesswärmesysteme mit Dampf, Wasser oder organischen Wärmeträgern, Prozesskälteanlagen, Prozesswasserversorgung, Wasseraufbereitungsanlagen, Medienversorgungssysteme für industrielle Prozesse (Wasser, Druckluft, Prozessgase, Dampf, Chemikalien, Feststoffe)
Beispiele:
-
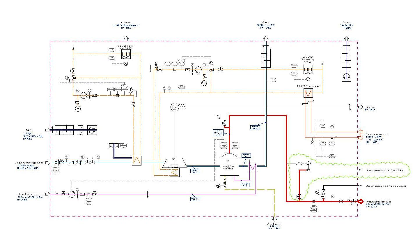
Gasturbine KWK-Anlage mit Abhitze- und Reservekessel für die Prozessdampferzeugung (elektrische Leistung 4,3 MW, Feuerungswärmeleistung (FWL) ca. 40 MW)
-
Dampfkesselanlagen mit Großwasserraumkesseln bis 10 MW
-
Dampfkesselanlagen mit Schnelldampferzeugern bis 1,5 MW
-
Wasseraufbereitungsanlagen
-
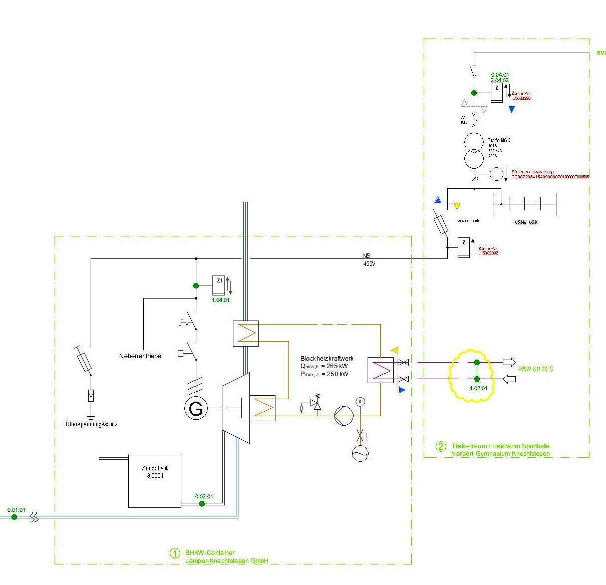
Diverse BHKW-Anlagen auf Basis von Gasmotoren bzw. Zündstrahlmotoren mit elektrischer Leistung von 50 kW bis 1000 kW und Abwärmenutzungssystemen mit Wasser bzw. Dampf als Wärmeträger.
-
Lager-, Umschlags- und Verwendungsanlagen für gefährliche und wassergefährdende Stoffe wie z.B. hochentzündliche Gase (Wasserstoff, Biomethan, Erdgas) und Flüssigkeiten (Aceton, Ethanol, Isopropanol), giftige und aggressive technische Gase (z.B. Chlor) und Flüssigkeiten (Säuren, Laugen), reaktive Feststoffe (Magnesium) und brennbare staubende Güter, industrielle Zu- und Abluftbehandlungsanlagen.
Wir verfügen darüber hinaus über besondere Qualifikationen in den Bereichen Explosionsschutz (Befähigung nach 1203 TRBS) sowie Trinkwasserhygiene (VDI 6023 Kategorie A)




